NTJL-5N不锈钢膜合拉力传感器 拉压力称重传感器 NTJL-5N不锈钢膜合拉力传感器 拉压力传感器 称重测力传感器。结构简单,可靠性高,互换性好。适用于各种配料秤、料斗秤、吊钩秤等。可内置数字模块,输出RS485信号,用作电网模拟导线覆冰监测试验的拉力传感器。
技术参数
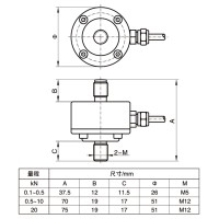
额定载荷: 0.1,0.2,0.3,0.5,1,2,5,10,20(kN)
综合精度: 0.3%F.S
灵敏度: 1.0~2.0mV/V
蠕变: ±0.1%F·S/30min
零点输出: ±1%F·S
零点温度影响: ±0.05%F·S/10℃
输出温度影响: ±0.05%F·S/10℃
工作温度: -20℃~+65℃
输入阻抗: 380±30Ω或750±50Ω
输出阻抗: 350±3Ω或700±5Ω
绝缘电阻: >5000 MΩ
安全过载: 150%F·S
供桥电压: 建议 10V DC
材质: 合金钢或不锈钢
传感器接线方式:输入+:红 输入-:黑 输出+:绿 输出-:白
产品外观尺寸

我司主要研发、生产、销售:称重传感器、电力覆冰检测传感器、扭矩传感器、拉力传感器、轴销传感器、压力传感器、拉压力传感器以及相配套测控仪表等产品。传感器支持非标定制,欢迎带图询价或寄样询价,支持中性包装、品牌贴标、激光打标等个性化需求,详情欢迎咨询王工17372255369。




